聊城住房网客服服务热线:0635-8201090
手机版
移动端

登录 /  注册

联系我们

    关注聊城住房网二维码,了解最新楼盘信息

    服务电话 0635-8222791

    客服QQ 82071045

    加入收藏

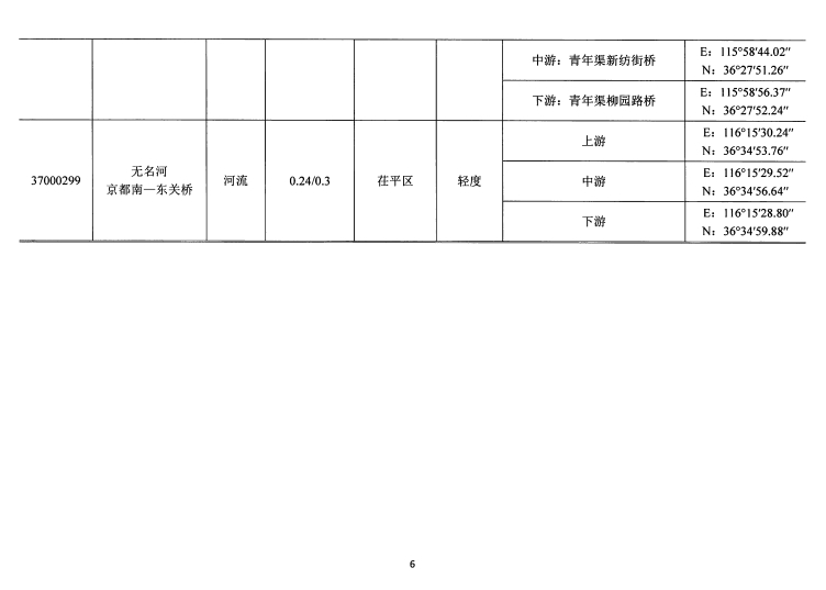
聊城市2024年3月份建成区黑臭水体水质监测报告

来源: 聊城市住房和城乡建设局  发布于 2024-04-01
  扫描到手机

扫描到手机  新闻随时看

扫一扫,用手机看文本
更加方便分享给朋友

聊城市建成区11条黑臭水体于2020年底已全部整治完成并通过长制久清评估。2021年起持续巩固整治成效,加强日常监管。现将2024年3月聊城市建成区黑臭水体监测报告公示如下:



(编辑: 赵亚男)
免责声明:本网站转载内容仅为传递更多信息,并不代表本网站同意其说法或描述,与本网站立场无关。

精彩推荐

  • 微信公众号
  • 小程序
  • 业务编号 ****** 项目名称 ******
    合同编号 - 幢号 ******
    买受人 - 出卖人 -
    申请日期 - 成交总价 ******
    完成日期 - 备注 -